產品名稱:
美制JIC外螺紋直接頭
產品系列搜索
請選擇您想要尋找的相關產品系列
產品描述

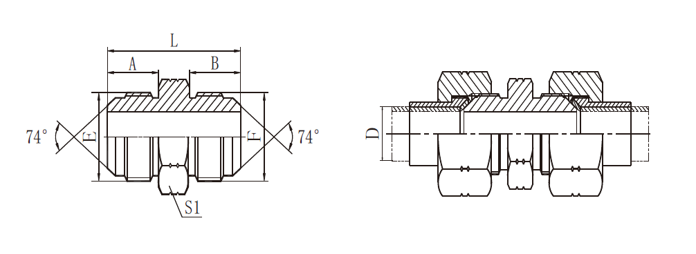
| 訂貨號 | 螺 紋 | 尺 寸 | |||||||
| E | F | A | B | L | S1 | ||||
| AJ-04 | 7/16"X20 | 7/16"X20 | 14 | 14 | 34 | 12 | |||
| AJ-04-06 | 7/16"X20 | 9/16"X18 | 14 | 14.1 | 34.1 | 17 | |||
| AJ-04-08 | 7/16"X20 | 3/4"X16 | 14 | 16.7 | 38.5 | 22 | |||
| AJ-05 | 1/2"X20 | 1/2"X20 | 14 | 14 | 34 | 14 | |||
| AJ-06 | 9/16"X18 | 9/16"X18 | 14.4 | 14.1 | 34.2 | 17 | |||
| AJ-06-08 | 9/16"X18 | 3/4"X16 | 14.1 | 16.7 | 38.5 | 22 | |||
| AJ-08 | 3/4"X16 | 3/4"X16 | 16.7 | 16.7 | 42 | 22 | |||
| AJ-08-12 | 3/4"X16 | 1.1/16"X12 | 16.7 | 21.9 | 48.5 | 30 | |||
| AJ-10 | 7/8"X14 | 7/8"X14 | 19.3 | 19.3 | 46.5 | 24 | |||
| AJ-10-12 | 7/8"X14 | 1.1/16"X12 | 19.3 | 21.9 | 51 | 30 | |||
| AJ-12 | 1.1/16"X12 | 1.1/16"X12 | 21.9 | 21.9 | 54 | 30 | |||
| AJ-12-16 | 1.1/16"X12 | 1.5/16"X12 | 21.9 | 23.1 | 56 | 36 | |||
| AJ-16 | 1.5/16"X12 | 1.5/16"X12 | 23.1 | 23.1 | 57 | 36 | |||
| AJ-16-20 | 1.5/16"X12 | 1.5/8"X12 | 23.1 | 24.3 | 60.5 | 46 | |||
| AJ-20 | 1.5/8"X12 | 1.5/8"X12 | 24.3 | 24.3 | 62 | 46 | |||
| AJ-24 | 1.7/8"X12 | 1.7/8"X12 | 27.5 | 27.5 | 70 | 50 | |||
| AJ-32 | 2.1/2"X12 | 2.1/2"X12 | 33.9 | 33.9 | 85 | 65 | |||
注:螺母及襯套需另行訂貨,配用螺母及襯套分別選用SJN、SJS。